特别申明:感谢各位淘友支持顶帖,我所有关于装修的内容,都会在第1页和第2页持续补充进去(留了好多空位的噢!),请大家持续关注!也可点击“只看楼主”或“只看该作者”!
七月投票开始啦,
http://bbs.taobao.com/catalog/thread/154507-11640753.htm
如果喜欢我们家就投上宝贵的一票吧,谢谢!
我们家在选项8噢,谢谢支持!
【户主】:mmc_19820312
【户型】:两室两厅(北露台封好后做书房,升级为三室两厅)
【面积】:87平方(面积不大,但南北通透)
【来自小区】:澳韵花园二期(苏州工业园区)
【风格】:现代简约(简约但不简单)
【适合居住人群】:现在的二人世界,未来的三口之家
【开工时间】:2010年3月4日
【合同完工时间】:2010年6月30日
【预算】:半包3.2万(主材自理),硬装全部8万
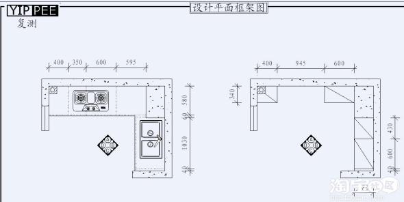
【户型图】

【小区环境】
从北露台拍的俯视图

这是我们那栋楼的外立面噢!

这是棋牌区,人文气息很浓,以后一定很热闹!

PS:开贴当天,管理员赏脸,给加精了!

2010年7月7日,帖子出现在标题栏里了,哈哈,太开心了!谢谢鼓励,继续努力!

2010年7月21日,帖子出现在“淘宝每日焦点”的标题栏里,耶!谢谢朋友们顶帖!装修尚未完结,本人还需努力啊!

[最后更新时间为 2010-08-08 14:27]
本帖的助威记录:助威总计 40 点 | 查看全部记录>>【硬装完成篇】
入户的右侧是一个鞋柜,刷了油漆,装上门后,就是这样的造型了。

说是鞋柜,其实鞋子应该只会放在有百叶门的那些区域内,上柜塞些换季的衣服或是被子都可以。镜子这侧的柜子可以挂些回家后脱下的外套或是客人的衣服噢!镜子的最大作用就是在出门前最后臭美一下。
打开门后看看吧,里面的储物空间那是相当大哦!

来客厅看看吧,电视背景墙我们选用了这款曲线形很强的壁纸!这是开了射灯后的效果!

背景墙的旁边是个装饰储物柜,门板外侧做了灰镜的处理。

进到主卧,来看看基本完工的大衣柜。移门的图案叫冰花,等看到实物后,还好,没有像名字那样冷。中间空出部分放电视,下方做了两个平行的类似放电脑键盘的横抽,以后放机顶盒,这是老公的设计,想得很全面,表扬!

主卧放置一张1.8米的床加两个床头柜空间刚刚好!

进卫生间看看,和这套黑白相间的浴室柜可谓是一见钟情,为了它可人的外观,我们不得不包容它下柜半悬空,无法塞进最小的小厨宝的缺陷。起初我决定放弃小厨宝,而老公则念念不忘一直要装,最后在遇见阿里斯顿这款鼠标型的下出水小厨宝后,我们做了尝试和冒险。如今安装完毕,除空间略显拥挤外,从实用角度看还是很方便的。

这是淋浴房一侧,选择的是一字形。花洒装上了,摩恩的热带雨林,让我想起了SHE的那首《热带雨林》,歌和花洒我都很喜欢!

[最后更新时间为 2010-07-10 23:55]
先留空位,等待更新(软装篇)[最后更新时间为 2010-07-10 23:57]
【淘宝网购篇】
1.18cm止回阀
2.音响面板
3.弱电线(电话线+网线+音响线)
4.微波炉支架
5.灯具+灯泡
我们家主要的灯具都是在“欧米灯饰”买的(详细图片可参考[灯具篇])
http://store.taobao.com/shop/view_shop-69e244875a1e6cfed0e3d3e56e68bd71.htm
点评: 总体来说还不错,比市场上价格便宜,不过店主处理问题的效率和态度还有待提高。水晶灯运过来时少了两个螺丝,一个吊坠碎了,在网上催了好多次才补发过来,结果螺丝还发错了,吊坠少一个珠子!
满意度:70%
6.开关面板、插座
西蒙的55系列
“小杨开关”链接:
http://store.taobao.com/shop/view_shop-e95a22877e7dc64bd094344af6c21e3b.htm
点评:服务态度不错,东西也很正规!纯白色,干净简洁 ,很喜欢
满意度:99%

7.微波炉
格兰仕昕煜灏专卖
http://item.taobao.com/item.htm?id=4616190031
点评:格兰仕中国红,镜面设计,简单大气。老公淘宝杰作!店家有正规发票!美中不足,四个脚居然形成一个梯形(而非长方形),放在微波炉支架上,始终有一个脚悬空,纯属设计问题!
满意度:95%

8.双面镜

9.缓冲器
http://item.taobao.com/item.htm?id=3404887223
点评:力度偏大,目前只装在橱柜的两个铝框里了,其他地方如果装上,门就关不严实了,所以最后退了一些给卖家,卖家态度还是很好的,及时处理了。在他们家还买了玻璃胶,感觉还不错!
满意度:88%

10.卫浴五金
11.线帘
12.无框画
[最后更新时间为 2010-07-24 20:11]
【灯具篇】
我们家所有的灯具均为淘宝所得,现一一展示一下。
客厅的九头镂空灯

开灯后的效果

餐厅的apple灯

主卧的水晶灯

打开以后的效果更好

主卧的床头壁灯

次卧的白云灯

北露台壁灯,像蜻蜓的眼睛。

过道的灯,很炫眼噢!

一排三个的效果

[最后更新时间为 2010-07-11 16:42]
【购房篇】
买房是不是人生的一件大事?应该算吧,细想来我们用了半年多的时间关注园区的各大楼盘了,从起初一无所知,不分东南西北到如今如数家珍地谈论各楼盘的位置、价位。这一“成长”得益于扑朔迷离的楼市动荡以及从关注、观望到最终出手的心理变化,随着澳韵花园二期尾盘的推出,一切都尘埃落定了。
楼市火爆了,房价一片涨声,消息不胫而走,但对于我们这些刚性需求的人而言,看到合适的房子,该出手时还是要出手的。
买房当天的售楼现场异常火爆,开发商不主张提前排队,但还是有两位老兄隔夜就去了。早晨请了年假,我们也很早就赶去了,排在13号,这次的排队签字是位于3号的一位老人发起的,并非开发商的行为,后来被证实这一举措是明智的,因为8点半刚过,当销售经理宣布价格后,场面曾一度失控,最后只能凭借这一纸排队签名来按顺序选房了。我们的运气还算不错,选中的楼层和房型都是之前心仪已久的,交了定金就算在房奴的行列了“扎堆”了。
走出售楼处,轻舒了一口气,交首付,办理公积金手续,然后开始每月还款的例行公事了。万里长征总算迈出了第一步!
【准备篇】
2009年年底,顺利拿房,为躲避寒冷的冬季,决定年后的三月开始装修。本以为时间很宽裕,但随着日子逐渐临近,很多事都要被提上议事日程了。
筹备装修的三个多月里,每天下班回家,例行公事,泡在各大装修网站,学习别人装修的一些经验和教训!
周末奔波于建材市场和各大团购会,参加侃价,越发觉得装修里面的学问还真多。知道的多了,疑惑也就更多了。
装修公司迟迟未订,之前谈过好几家,看过实体店,也有去参观过样板间,收到的设计图总是和我们的初衷格格不入,最后经朋友介绍认识了现在的项目经理王工,在半设计半借鉴中,开始了我们漫漫的装修之路!
从田园风到地中海,从中国古典到欧式美式,在看完了几乎所有的家装风格后,视线最终定格为简约而不简单的现代风。有过很多想法,像是空间的主色调,电视背景墙的风格,玄关……,最终这些想法能不能一一兑现现在很难说,老公让把一切看淡一点,在理,装修本就很复杂,而我们又做了近乎于“清包”的“半包”。与其把它看作一件苦差事,不如苦中作乐,为了打造一个属于自己的幸福小屋,累一点也是值得的!
【开工篇】
2010年3月4号,老公请假一天!
开工啦!
鞭炮在客厅摆成6字型,寓意六六大顺!

早晨8:58,准时,鞭炮响起!

开工当天的主要任务是敲墙,原本我俩对敲墙这一装修工序很是反感,但现在这一决定实属不得已而为之,谁让脑子锈豆的开发商把主卧设计的如此之小,让我们不得不掏出一个衣柜来,为此付出了500大洋做敲墙鉴定的代价。
敲墙师傅的吃饭家伙——大锤,隆重登场。

师傅开始敲墙了,很卖力噢!

晚上回来,检验一下师傅的劳动成果!客厅和主卧的那堵墙(除承重部分外)全部敲掉,垃圾已统一用蛇皮袋装好,满意!

[最后更新时间为 2010-07-04 15:16]
【水电篇】
经过一周身体和心灵的双重考验,装修的水电部分告一段落。
水电开工前,项目经理王工来房子里和我们现场讨论插座,走线的定位问题,并带来一个“噩耗”:原先我们在朋友家相中的水电刘师傅回老家不来了。这就意味着原本被老公描述为开槽开得相当艺术的刘师傅不会来我们家干活了。当听到这个消息时,心顿时觉得拔凉拔凉的。工程不能被延误,只能换水电师傅了,就这样周六下午施师傅夫妇进驻,开始为我们家施工了。
周六那天的主要任务是开槽前的最后定位,然后开始为开槽作前期准备。这便是开槽前用砂轮在墙上走的边线,还算横平竖直吧。

开槽那天是周日,主力是施大嫂,小区保安让9点半才可以进场干活,她8点多就偷偷溜进去了。电钻是主要工具,等我们到房间里时,已是尘土飞扬,灰尘伴随着噪声,工作环境相当恶劣。眼看着好好的一间房被钻得千疮百孔,顿时觉得是在做一件劳命伤财的事。
施大嫂从上午8点半一直忙活到晚上7点多,并且在接下来的三四天内每天都干得很晚,精神可嘉。现就周日的开槽情况作一下客观的评价:槽的走向还不错,大体能做到横平竖直,但局部凿得超出了边线,觉得有些丑陋。回公司和同事交流一下,发现我们的要求有些高了,也难怪,有些墙体很厚实,钢筋混凝土浇注的,随随便便就能凿开的话,那不就成了“楼脆脆”了,看看这个槽都能看到钢筋了。

接下来的三天开始铺设水电煤气管路、暗盒,开始上班了也没有很多的精力去现场了。这里要特别鸣谢老公的敬业精神:能做到每晚必去现场,发现问题及时和师傅商量解决。我嘛,就有点小偷懒了,只去了周一晚上那一天,就昏暗的房间里,到处的孔、槽、管,心里有种说不出的凄惨感,所以干脆眼不见为净,天天等老公回来汇报吧。周四晚做了水路的打压试验,水电部分收工了。
看看水电的成果,上几张pp吧!
先来一张客厅与餐厅中间的过道的走线

再来一张客厅和主卧的走线!近处是客厅,远处是主卧,客厅和主卧的墙将来做上柜子,这些暗盒就都藏在柜子里了。

再看看厨房吧,这是水槽的位置

这是北阳台,我们没有像很多邻居家那样把北阳台和厨房打通,而是保留了开发商原有的设计。主要有两点考虑:
1.多这一道门,房间保温性好一些。
2.给洗衣机找个安身之处。否则只能放在南露台(物业视为违规,那2000元的装修押金将有去无回)或是放进卫生间(会牺牲一半淋浴房的位置,不妥),但所谓有利有弊,如果打通的话厨房可以大一些,光线也更好一些。权衡之下还是做了这个决定。

该进卫生间了,软管的地方将来要装下出水的小厨宝,这是老公极力要求的,但王工说装出来不一定美观,我一听这结论也动摇了,想劝说老公放弃这一念头,但后来看中阿里斯顿一款鼠标型的小厨宝,觉得还不错。出于实用考虑,顶住压力还是决定装,希望最终出来的效果不会让我们失望!这一回合的分歧,老公胜!!

再来看看筒灯和水管!冷热水管走顶走,分开布,挺满意的!筒灯和灯带,原本老公是反对安装的,对于这种出于美观而没有什么实用价值的设计,他始终不是很感兴趣。而我,出于美观方面考虑,还是想虚荣一把,再说水管走顶走,不吊顶不现实,放几盏灯也无妨,照明也算实用嘛!这一回合,我胜,哈哈!

原本水管是走烟道下侧的(下图红色的示意),但购买的油烟机是十八厘米的口径(开发商提供的是十五厘米的口径),于是重新网购了一个止回阀,直到准备换上的那晚才发现,如果换上新的,水管就将止回阀挡住的。我滴神啊,真是防不胜防,最终还是出错了。

赶紧想补救措施,起初是不想改水管走势的,因为已经做过水路打压试验了。于是我俩冒雨赶到房间商量对策,临时决定将止回阀适度降低,将来厨房吊顶做阶梯状。这一想法在隔天就被项目经理否决了,理由是不美观。随后和厨房吊顶商量后发现这种做法工艺复杂些,要额外加费用,并考虑到最终阶梯状的效果对于较小空间的厨房可能不适用,所以还是决定改水管走势。再次做完了更改水管后的打压试验,问题算是解决了。
此事再度告诫我们:三思而后行啦!
顺便留一笔,房产证和土地证终于拿到了,抽空把户口转了,咱也不必再挤在公司的集体户口里了。给几十万换来的四个小本本亮个相

到目前为止,我所领悟到的几点:
1.装修中没有问题是不现实的,关键要在发现问题后作及时沟通调整。
2.有分歧后不一定要通过斗争解决,还可以和平演变。
3.最终的决定不一定是最好的,但一定是经过深思熟虑的。
4.过程是痛苦的,但经历过后,看到了成果还是欣慰的。同时阶段性的胜利是前进的动力,继续忙碌吧!
Fighting!!!
[最后更新时间为 2010-07-04 15:32]
【瓦工篇】
3月22日,瓦工师傅进场了。
如果说之前的水电师傅是猫头鹰型的话(喜欢晚间干活),那瓦工余师傅应该属于百灵鸟型,喜欢早来早回,以至于我们在开始的两天时间里始终没有见到本人,但每晚都能看到可喜的劳动成果。
余师傅的手艺真不错,目前从非专业人士的角度来看,砖贴得很专业。为人很和善,有自己独特的想法,喜欢和我们一起讨论!
这是余师傅忙碌的背影。他正忙着贴我们家北露台的砖呢!

截至到3月27日,师傅已将卫生间和厨房的墙砖,北露台和南阳台的地砖贴好,卫生间和厨房的墙面、地面也已做了防水。
师傅说,我们家卫生间的整墙和地面都做了防水(一般的要求是淋浴房做1.8米,其他部分距地面二三十公分),不过要想检验防水的实际效果还要等几天做完闭水试验后在下结论,呵呵!淋浴柱刚好在花砖的中间,是我设想中的效果。

这是厨房部分,选择的是白色长条纹,希望能将较小的厨房空间得以视觉的延伸。

这是南露台和北阳台选用的砖,看上去很清新

[最后更新时间为 2010-07-11 16:17]
【木工篇】
木工师傅以“迅雷不及掩耳盗铃”之势,在短短的一周时间里将我们家的吊顶、鞋柜、大衣柜、背景墙都做得初具雏形了。师傅神龙见首不见尾,直到昨天才首次一睹真容。
这是主卧的大衣柜,取消了裤架部分的设计,尽量做到左右对称,中间留有放电视的空间,两旁的部分一人占用一侧,衣服分开摆放互不干预,挺好!

这是电视背景墙一侧,旁边是装饰柜,以后零食、杂物什么的都有藏身之处喽!

这是入户一侧的鞋柜部分,师傅正在忙着装门呢。

看看师傅给我们家鞋柜做的百叶门的中间部分,手艺还真不错!

遇到几个棘手的问题,需要一一做返工:
入户时的鞋柜有一面贴玻璃的柜子,在我们的再三斟酌下,还是决定将原先一扇整体门改为上下两扇独立门。就美观而言,一扇门的整体效果肯定要好,但可能会因此埋下祸患:门长期使用后变形,或是经常整体开关后损坏。
吊顶和灯带的接口衔接不好,导致接口部分外露,得协调电工师傅一起做改动。
最让人揪心的,电视背景墙的后面没有放隔音棉,师傅就把墙给封了。我滴神啊!这个都能忘记(幸亏被我们及时发现了),这点不返工天理难容啊!隔天王工把隔音棉运到了现场,今天师傅把封好的背景墙石膏板拆了下来,放进了隔音棉,这下总算是安心了。

隔音棉这玩意不知道什么材料做了,据说皮肤接触到了会觉得痒,所以师傅在铺设时我尽量离得远些,但不知道是不是心理作用,回来后总觉得脸上痒痒的。
[最后更新时间为 2010-07-04 15:49]
【橱柜篇】
经过和橱柜设计师的几次沟通,设计图最终出炉了。


这是没有安装油烟机和灶具前的效果!
吉林森工露水河的柜体板+石英石台面,柜体的主体颜色选择了灰色!为避免过于沉闷,选择了灰色加闪银的效果,为此每米再加100大洋!

这里要表扬一下宇邦橱柜师傅的手艺,在我们多次和不同的安装师傅打交道后,目前还是这位师傅看上去最专业了。
再看看油烟机和灶具安装过后的效果噢!

西门子的油烟机和灶具与灰色柜体的搭配,显得较稳重。选择西门子,一来在博世工作近两年了,生产线近乎苛刻的质量观点,让我有足够的理由相信德国品牌的品质;再者本来想支持一下国产货“方太”的,后来对方太促销员恶劣诋毁其他品牌的行径很反感。决定买西门子,付款处再度遭遇方太促销,她使出杀手锏,说我们如果买西门子一定会比方太提前坏,就此我决定这辈子和方太这个牌子绝交。国产货~想说爱你不容易!!
这是调味篮,油盐酱醋的藏身之地!

这是碗篮!

看看L型橱柜的另一侧

厨房空间不大,只能把微波炉给架起来了。微波炉支架是我在淘宝上淘的噢,很结实!格兰仕的这款中国红,喜欢它门体的镜面设计,这里夸奖一下老公的眼光,只是到现在都很纳闷,为什么这款微波炉的前面两个脚的间距比后面两个脚要宽,微波炉的支架装好后,放上它居然有一个脚始终放不到支架上,没办法,目前用泡沫垫一垫临时处理,稍后再想办法,很可能要再做一个平板放在支架上,然后再放上微波炉了。淘友以后买微波炉和支架时一定要特别留意这一点噢!水槽是摩恩的套餐中最经济实惠的一款,它的小尺寸刚好用在我们的小厨房里。
铝框门下方的三角灯,又是我的得意淘宝之作,来张特写。以后晚上切菜时,如果觉得吊顶的灯背光的话,它就可以发挥作用了。

[最后更新时间为 2010-07-11 16:05]
【吊顶篇】
北美风情厨卫的吊顶,是在订他们家的地板时一起订的。
色调选用灰白相拼的图案,灰色部分同橱柜的颜色很搭噢!
厨房升级为纳米板材质,据说抗油能力和去污能力有所加强,但到底实用效果如何,还得等时间来检验。

这是卫生间部分,左侧部分是碳纤维的浴霸五合一,集照明、通风、取暖、换气为一身,功能很强大噢!集成的灯具图案,老公说像花洒喷出的水柱,想象力很丰富啊!装在卫生间很应景!

[最后更新时间为 2010-07-11 16:07]
【房门篇】
来看看我们家选的几款门:
先上主卧的门,方块和线条的简单结合!

这是次卧的门,圆圈和弧线的搭配,相对主卧而言要显得俏皮一些。大胆想象一下,这像是一幅较抽象的画,左侧可以理解为一条鱼,右侧是鱼吐出的水泡泡!

厕所的门,选用中间椭圆玻璃的造型。这种所谓的钻石玻璃,其透光但不透影的特性用在我们较小的卫生间的空间外,提高透光性,又避免走光的尴尬。

最后看看我们家厨房的移门。车边玻璃+古铜色边框

[最后更新时间为 2010-07-11 16:13]
抵制可恶的广告,所以只能先建楼,后补充内容了【家具篇】
我们家选购的家具一部分来自金海马、月星,但绝大部分都来自苏州蠡口。
沙发、主卧的床、床头柜和床垫都是在金海马举行团购会时订的,属于冲动性的产物。
布艺沙发,深灰和浅灰的搭配

主卧的床,1.8米
[最后更新时间为 2010-07-24 20:38]
抵制可恶的广告,所以只能先建楼,后补充内容了
抵制可恶的广告,所以只能先建楼,后补充内容了评论内容:发表评论不能请不要超过250字;发表评论请自觉遵守互联网相关政策法规。